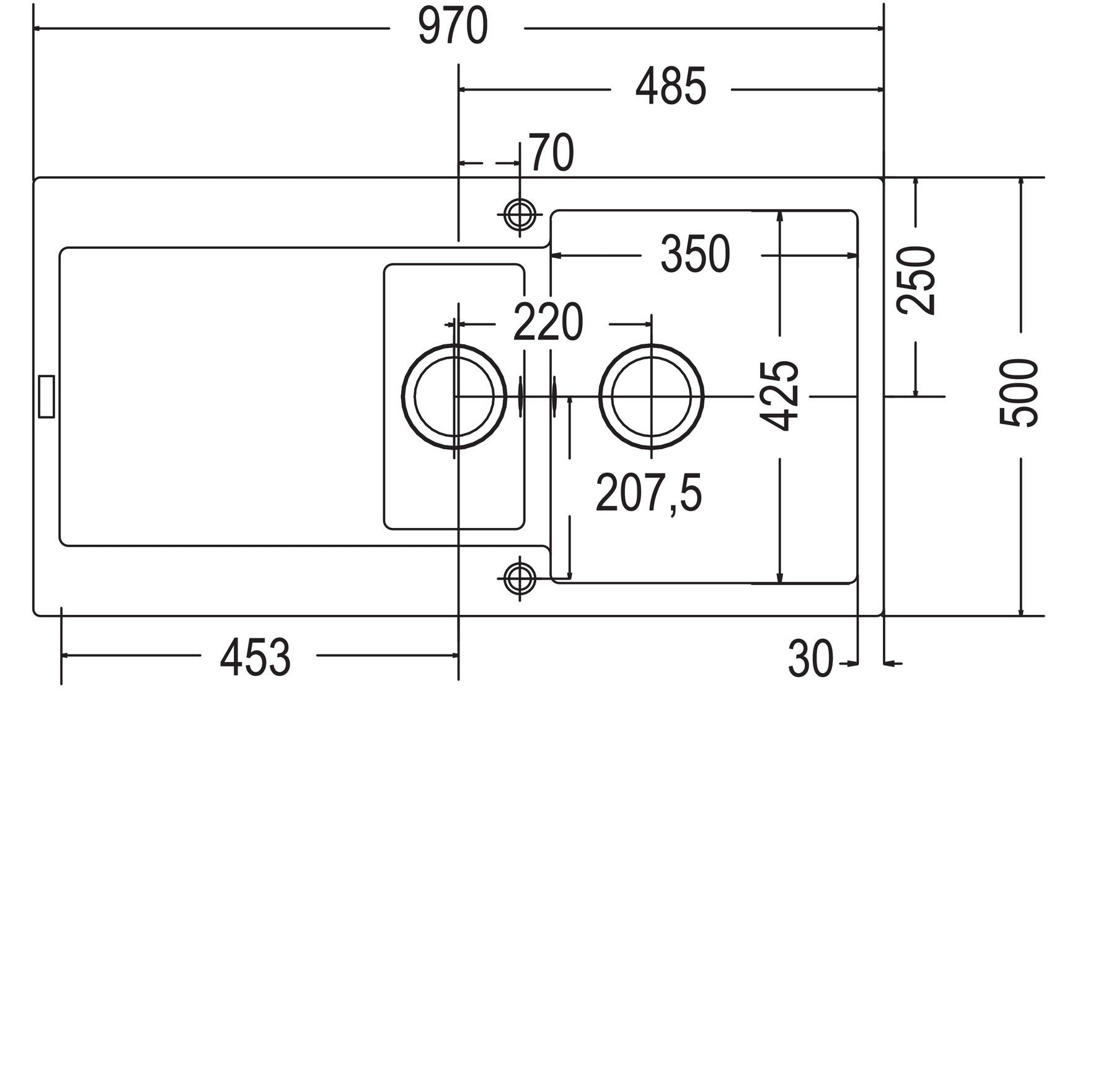
Popis
POZOR – Důležitá informace
Otvory do Fragranitových dřezů se již NEVYRÁŽÍ, ale VRTAJÍ
FRÉZKOU, která je součástí dodávky dřezu.
Z tohoto důvodu již na dřezu nejsou nalepeny „terčíky“, které
dříve určovaly pozici, kde vyrážet otvor.
Otvory se vrtají ze spodní strany dřezu dle připojeného návodu.
Pokud vám bude dodán dřez bez frézky a s označenými otvory, jedná
se o dřez vyrobený před touto změnou.
Prosíme, použijte na vyvrtání otvoru frézku z jiného dřezu
(frézka není jen na jednorázové použití), případně ještě
můžete otvory vyrazit starým způsobem (nedoporučujeme).
Reklamace poškození dřezů „bez terčíků“ vyrážením otvorů
nebude uznána.
Video návod zde: YouTube https://www.youtube.com/watch?v=tUjnin4Hs0o





